卢旺达时间|大赢家比分即时比分90vs篮球|球探比分即时比分新版|足球单场数据,球探足球比分即时比分190kkcohn,足球比赛实时比分查询500,球探足球体育比分网

HNC025A

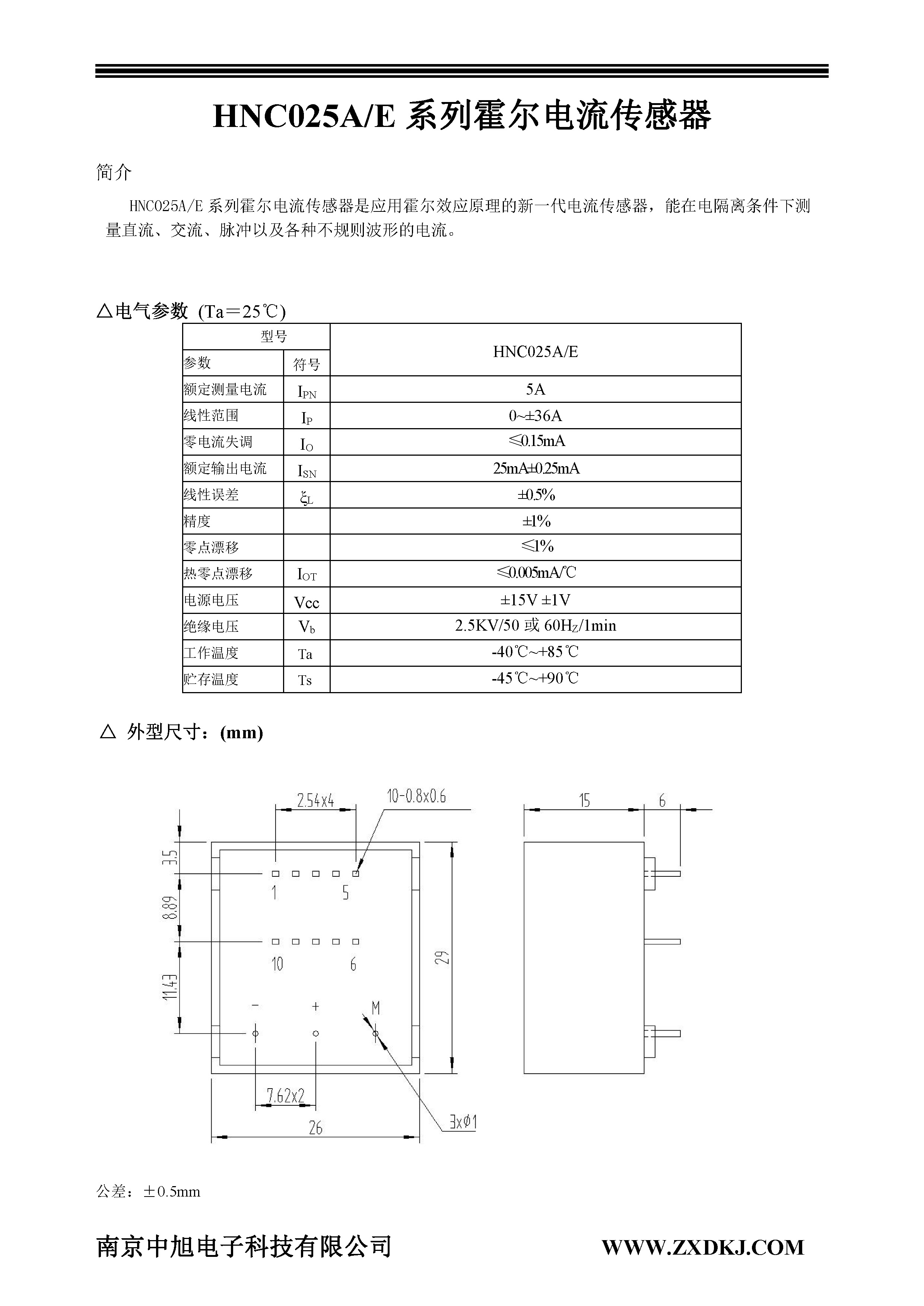
post-image

HNC025A series Hall current sensor is a new generation of current sensor using the principle of Hall effect. It can measure currents of DC, AC, pulse and various irregular waveform under electrical isolation.